
产品分类
products category
更新时间:2025-09-26
浏览次数:349水质监测预警系统-一款提前预判故障的浮标式水质监测系统2025【推荐型号:WX-SFA06,山东万象环境提供定制化气象及环境监测设备,服务覆盖多领域,助力各行业监测】
考虑到水上监测面临的 “风浪冲击、水生生物附着、水质腐蚀" 等挑战,漂浮式水质自动监测站在耐用性上做了专项强化。漂浮平台采用高强度抗冲击材料,能抵御 3-4 级风浪冲击,避免风浪导致设备倾覆或移位;外壳采用防腐蚀、防紫外线材质,长期浸泡在水中或暴露在户外,也不会出现部件锈蚀、老化;传感器探头配备自动清洁装置(如毛刷、高压喷淋),可定期清除附着的藻类、泥沙,避免水生生物附着影响监测精度。此外,设备具备防水、防雷设计,雨天、雷雨天气下可正常工作,即使在高盐度的近海或河口区域,也能耐受盐雾腐蚀,适配淡水、咸水等不同水体环境,确保长期稳定运行。

一、产品简介
1.水质浮漂监测站SFA集数据采集、存储、传输和管理于一体的无人值守的采集系统。它在工农业生产、旅游、城市环境监测、地质灾害、防洪、供水调度、电站水库水情管理等为目的水文自动测报系统;功能强大的上位机软件可远程观测实时水雨情信息,具有数据库、报表、下载等功能,用户还可利用该功能完善的气象软件对记录的数据作进一步的处理分析。
2.SFA06款浮标是由水质传感器(水温、电导率、PH、溶解氧、氨氮、浊度)、数据采集仪、通讯系统、供电系统、整体 支架、水质监测平台六部分组成。同时可扩展COD、叶绿素、悬浮物等多项水质要素。数据采集仪具有数 据采集、实时时钟、数据定时存储、参数设定和标准2G/4G(GPRS)通信功能。
二、产品特点
1.易部署:各类型探头进行高度集成,安装方便;提供免费云平台服务,系统快速上线;
2.易维护:设备安装后,自行工作即可,无需人工值守,也可以通过远程监控的方式保障设备的正常运行;
3.易扩展:传感器探头均使用统一的通信协议,可以快速对接原设备,快速扩展监测参数;
4.低功耗:设备可以实现低功耗状态下,长时间运行,增加设备使用的便利性;
5.实时性:设备监测到的数据实时传输至云平台,提升环境数据反馈的及时性。
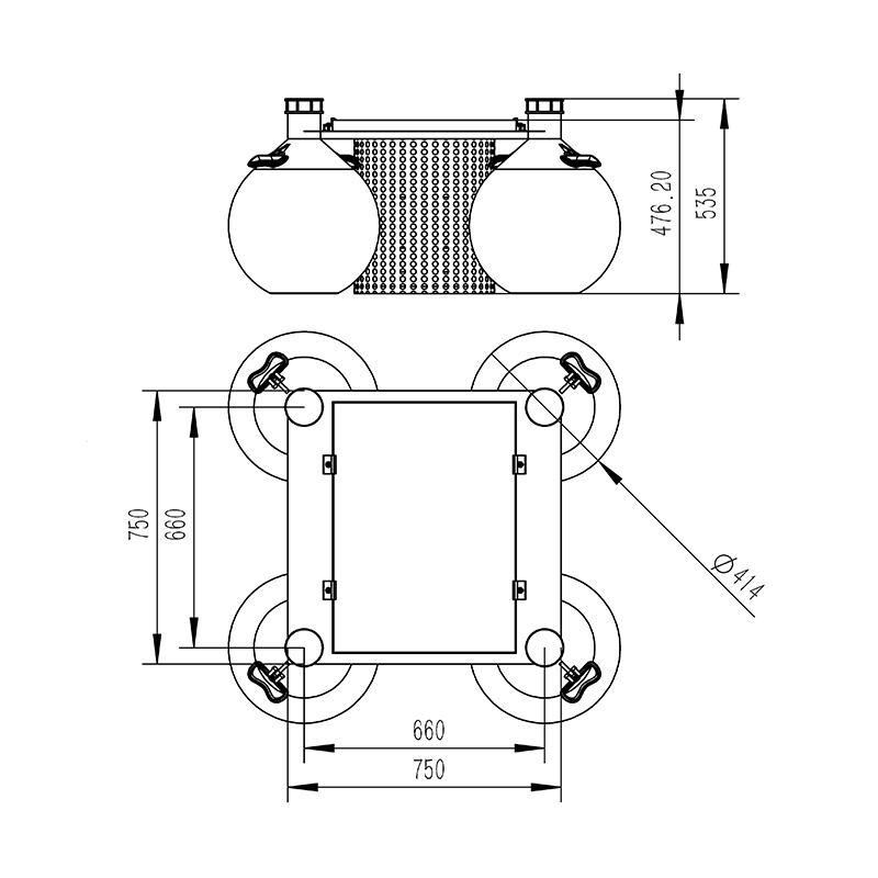
四、产品尺寸图

五、设备安装要求
1.远离大功率无线电发射源
2.远离高压输电线和微波无线电传送通道
3.尽量靠近数据传输网络
4.远离强电磁干扰
六、云平台介绍
1.CS架构软件平台,支持手机、PC浏览器直接观测.无需额外安装软件。
2.支持多帐号、多设备登录
3.支持实时数据展示与历史数据展示仪表板
4.云服务器.云数据存储,稳定可靠,易于扩展,负载均衡。
5.支持短信报警及阈值设置
6.支持地图显示、查看设备信息。
7.支持数据曲线分析
8.支持数据导出表格形式
9.支持数据转发,HJ-212协议,TCP转发,http协议等。
10.支持数据后处理功能
11.支持外置运行javascript脚本
扫一扫